China CNC Milling » Blog » Design and Implementation of an Automated Bending Workstation for Metal Sheets
FAQ
What materials can you work with in CNC machining?
We work with a wide range of materials including aluminum, stainless steel, brass, copper, titanium, plastics (e.g., POM, ABS, PTFE), and specialty alloys. If you have specific material requirements, our team can advise the best option for your application.
What industries do you serve with your CNC machining services?
Our CNC machining services cater to a variety of industries including aerospace, automotive, medical, electronics, robotics, and industrial equipment manufacturing. We also support rapid prototyping and custom low-volume production.
What tolerances can you achieve with CNC machining?
We typically achieve tolerances of ±0.005 mm (±0.0002 inches) depending on the part geometry and material. For tighter tolerances, please provide detailed drawings or consult our engineering team.
What is your typical lead time for CNC machining projects?
Standard lead times range from 3 to 10 business days, depending on part complexity, quantity, and material availability. Expedited production is available upon request.
Can you provide custom CNC prototypes and low-volume production?
Can you provide custom CNC prototypes and low-volume production?
Hot Posts
Sheet metal fabrication falls under the category of cold working processes, encompassing a series of operations including blanking, cutting, punching, bending, and riveting.
In terms of material selection, sheet metal components are diverse and extensive, encompassing stainless steel, aluminum, steel, and other types.
Widely applied across numerous industries, sheet metal parts offer advantages of high strength and low cost, becoming indispensable components particularly in enclosure fabrication, elevator door panels, and automotive bodywork.
Bending is a critical process in sheet metal fabrication, typically performed manually.
This process features high risk, repetitive tasks, and low efficiency.
Consequently, researchers have conducted extensive studies on bending production lines, aiming to integrate robots with bending machines to automate the process and reduce manual labor constraints.
This paper uses a bending machine as an example, designing an automated metal sheet bending system utilizing an Estun dedicated bending robot.
It details the entire design process and implementation of an automated bending workstation, comprising equipment such as a bending machine, robot, loading/unloading system, flipping frame, centering table, and safety enclosure.
Upon completion of the automated bending workstation, technicians can achieve automated sheet metal processing by programming the robot and bending procedures.
Automated Sheet Metal Bending Process
Following the sheet metal bending workflow, engineers design the robotic programming as shown in Figure 1.
When the operator presses the start button, the sensors detect whether the sheet has been placed on the loading system.
The robot then initiates bending operations according to the programmed sequence.
Should a fault occur or the robot enter the safety fence zone during processing, it will immediately halt operations and trigger an alarm.
Personnel must intervene manually to resolve the issue. Once they resolve it, processing resumes.
When the system detects an empty supply of plates or a full pallet, it will either add more plates or clear the finished products based on production requirements.
After completion, pressing the start button again initiates the automatic processing cycle.

Automated Bending Workstation Motion Process
Process design involves the overall planning of the robot’s global movements.
The robot’s point-to-point motion data determines the specific execution sequence.
Figure 2 illustrates the entire process from material loading to stacking.
First, the robot retrieves the sheet metal from the loading system (Figure 2a), then moves to the centering system (Figure 2b).
The purpose of the centering system is secondary positioning.
Since the centering platform is a slanted surface with one corner facing downward, after the robot places the sheet on the centering platform, gravity causes it to slide downward automatically, correcting any positional deviation that may have occurred during pickup.
After pickup is complete, the robot places the sheet onto the bending machine (Figure 2c) to locate the stop fingers and find the correct position.
Once aligned, the press brake’s upper die begins downward pressure. The robot grips the sheet metal, and the press brake follows the bending process (Fig. 2d).
If the process requires a reverse bend, the flipping system (Fig. 2e) turns the sheet metal over.
After bending is complete, the robot grips the sheet metal and places it onto the designated unloading system (Fig. 2f), then returns to the loading system for subsequent bending operations.

Layout Design for Automated Bending Workstation
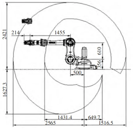
Robot Envelope Range
Robotic bending operations differ from manual bending.
The entire workflow must account for the robot’s reach range to perform tasks including material pickup, centering, bending, flipping, and material release.
Because bending frequently requires flipping operations, the robot uses a seventh-axis ground rail to ensure full mobility.
This project uses the Estun ER80 bending robot, and Figure 3 illustrates its operating envelope.
Robot selection primarily depends on parameters such as the maximum sheet size, thickness, and weight, or can be based on specifications provided by the manufacturer.
The largest sheet the robot can grasp ultimately defines its working area, which then determines the placement of other equipment.

Bending Layout Design
Based on the automated bending workstation workflow described earlier, the robot should sequentially complete each task.
This process involves the robot retrieving the sheet metal from the handling system, transferring it to the centering station for secondary positioning, feeding it to the press brake for bending, rotating it with the flipping system if needed for additional bends, and finally delivering the sheet to the unloading system.
Figure 3 shows the overall bending layout and dimensional design, considering site requirements, compared to manual bending processes.
For this bending operation, we position the loading and unloading systems peripherally to facilitate material handling by workers or robots.
We place the centering station in front of the robot to enable immediate centering after robotic pickup.
Following centering, the inner side positions the Jinfangyuan TPR8 press brake for bending.
If the process requires bending, the robot moves the sheet to the flip system on the opposite side of the press brake.
After completing the bends, the robot delivers the sheet to the unloading system.
The overall layout is compact and rational, meeting the comprehensive motion requirements of the bending process.
Software Programming
In automated bending workstations, software programming serves as the core that connects mechanical actions, robot behavior, and bending machine logic.
High-precision bending relies on stable data exchange, robust motion control algorithms, and process-driven programming logic.
Modern robotic bending systems integrate motion planning, sensor feedback, and AI-assisted compensation to ensure consistent quality, even for complex bending sequences or varying sheet-metal conditions.
Robot Programming
Robot programming primarily consists of two parts.
The first involves preparing the robot for bending operations, including establishing communication between the robot and the bending machine, calling the bending machine’s indexing to the bending position, moving the robot back to the reference point, and executing programs for material pickup, centering, flipping, and unloading.

Using the material pickup subroutine as an example, the robot’s movement process is described as follows: The robot moves from the reference point to the feeding system.
Typically, 2-3 transition points are planned along the robot’s path. It then moves to the pick-up point for calibration and inserts the target point.
At this stage, selecting the robot suction cup command allows the gripper to grasp the sheet metal, completing the pick-up process.
♦ Main Program Logic Structure
The main program design section is as follows:
- Start://Main Program
- Bend_Robot Mode(“ON”)// Establish connection between robot and bending machine;
- Bend_Change Step(“Benderl”)// Move bending machine indexing plate to bending position;
- MovJ(HOME,“RELATIVE”,C150)// Robot returns to home position;
- Begin:// Program loop start point:
- CALL Reclaiming // Material retrieval subroutine;
- CALL Secondary positioning // Centering subroutine;
- CALL Bendingl // Bending subroutine 1;
- CALL Turn over // Flip subroutine;
- CALL Bending5 // Bending subroutine 2;
- CALL Unwinding // Material unwinding subroutine;
- GOTO begin // Return to loop start point;
- End/ Main program end.
The other part consists of bending instructions. These instructions primarily utilize the robot to mimic manual bending follow-up actions.
Currently, Estun’s independently developed bending robots are at the forefront of the industry, featuring the following characteristics:
- Match bending machine process parameters and automatically calculate pre-bend positioning points;
- Automatically align bending positions to ensure dimensional accuracy;
- During bending, track sheet metal position to maintain synchronized robot and press brake movements;
- After bending completes, synchronize the lifting platform and retraction to enable the robot to retrieve the sheet without interference from the press brake.
♦ Bending Subprogram Design
The bending subroutine design is as follows:
- Start:// Subroutine
- MovJ(Transition point,“RELATIVE”,C150)// Bending transition point;
- MovL(P44)// Robot aligns material with cross-stop transition point 1;
- MovL(P45)// Robot aligns material with cross-stop transition point 2; Bend_Approach(“Bender1”.1.Bend_point,0.0.V100.V500)// Bend point command, automatically calculates pre-bend point position in YZ axes;
- Bend_Adjust(“Bender1”,1,Sensor1_2,“FALSE”700,0,0,0,V1000)// Bending alignment command, sheet material approaches stop finger by approx. 1-2mm;
- Bend_Close(“Bender1”)// Rapid descent to clamping point;
- Bend_Press1(“Bender”) // Match follow-up synchronization; Bend_Up(“Bender1”,1.500,20,50,300.USERCOOR7.V4000) // Return program, synchronize lifting and retraction;
- Bend_0pen(“Bender1”,1,500,20,50,300,USERCOOR7.V4000)// Bender lifts, cross-stop retracts;
- Bend_Reset(“Bender1”)// Reset bending signal; execute reset to recover from abnormal follow-up actions;
- Bend_ChangeStep(“Bender1”)// Switch to next bending program;
- MovJ(P34,V1000,“RELATIVE”)// Adjust sheet position for next bending point;
- End// Subroutine end.
♦ Bending Machine Program Design
The design of bending machine programs primarily considers the selection of upper and lower dies, sheet material, thickness, and bending coefficients.
After configuration, switching the trigger mode to automatic triggers establishes the connection with the robot.
Traditional bending program creation has transitioned to an interface-based programming method.
As shown in Figure 5, the lateral and longitudinal distances of the stopper are set once within the programming interface.
During trial bending, promptly adjusting the correction values ensures bending accuracy.
For multi-step bending operations, clicking “Next Bending” initiates the next bend editing step, and the process is repeated sequentially to complete the bending program design.

Conclusion
Automated sheet metal bending represents the future direction of intelligent automation in sheet metal processing.
As digital intelligence levels steadily advance, inefficient manual bending will gradually be replaced by intelligent bending workstations.
This paper analyzes the bending process flow, refines the robotic motion sequence, and conducts layout and dimensional planning for an automated sheet metal bending workstation.
Finally, it develops the robot and bending programs, completing the overall design of the automated bending workstation.
This provides valuable insights and reference for automated sheet metal bending processing.